联系我们
地 址:厦门火炬高新区火炬园火炬路7-11号西二层1-3轴厂房
电 话:13606082135(王工)
传 真:0592-3191333
邮 箱:kehao@kehao888.com
电 话:13606082135(王工)
传 真:0592-3191333
邮 箱:kehao@kehao888.com
KH2000智能系列压力变送器
本产品采用美国GE公司的NOVA Sensor高精度隔离型扩散硅传感器组件,通过带HART协议的高可靠性智能电路,将被测介质的表压或绝压转换为4~20mADC标准电信号。同时利用在4~20mA传输线上迭加一个数字信号进行通信(采用Hart协议)、查询和自诊断。通过PC机或手操器(通讯器)可以在现场或控制室对该变送器进行远程控制或重新组态。高质量的传感器、精湛的全焊接封装技术以及完善的装配工艺确保了变送器的高质量和优良性能。
二、特点与应用
三、技术规格

四、性能参数

五、选型

六、结构指标

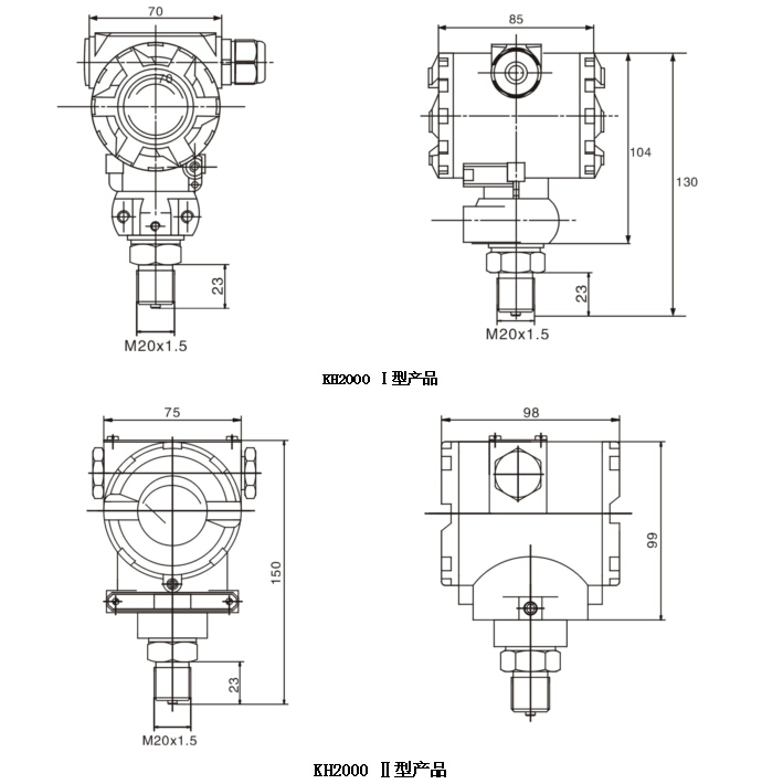
七、结构尺寸

返回首页
在线咨询
联系我们